2. Phân tích khối đường tiếng trên Tivi LCD - LG
![]() |
| Hình 4 - Sơ đồ tổng quát khối đường tiếng Tivi LG |
![]() |
| Hình 5 - IC -Audio Processor trên máy LG |
- Tín hiệu SIF đi qua mạch giải điều chế Demodulator để lấy ra tín hiệu điều tần FM hoặc điều biên AM, các tín hiệu FM và AM được đưa sang mạch DSP
- Các tín hiệu từ ngõ vào SCART1, SCART2, SCART3 SCART4 được đổi sang tín hiệu số thông qua mạch A/D (Analog Digital Converter) rồi sau đó đưa sang mạch DSP.
- Mạch DSP (Digital Sound Processor) là mạch xử lý âm thanh số thực hiện các chức năng như:
- Chuyển mạch âm thanh.
- Tạo hiệu ứng âm thanh.
- Điều chỉnh tần số và âm lượng đưa tín hiệu sang mạch DAC.
- Các mạch DAC sẽ đổi tín hiệu âm thanh Digital về dạng tín hiệu Analog tạo ra các tín hiệu Audio cấp cho tầng công suất.
- Mạch Interface trao đổi dữ liệu với CPU và nhận các lệnh điều khiển từ
CPU để điều khiển các chức năng về âm thanh.
- Crystal là thạch anh tạo xung nhịp cung cấp cho mạch xử lý âm thanh số hoạt động.
- Sound IF là các ngõ vào tín hiệu trung tần tiếng.
![]() |
| Hình 6 - Sơ đồ tổng quát của mạch xử lý âm thanh Audio Processor. |
- SCART IN là các ngõ vào của tín hiệu Audio.
- SCART OUT là ngõ ra của tín hiệu Audio
- Loud speaker là ngõ ra cho âm thanh trung.
Subwoofer là ngõ ra cho loa trầm
- Headphones là ngõ ra cho tai nghe.
- I2C là giao tiếp chuẩn Serial với CPU thông qua Bus SDA và SCL.
- Tín hiệu trung tần tiếng từ bộ kênh đi đến IC xử lý Audio Processor.
![]() |
| Hình 7 - Sơ đồ nguyên lý mạch xử lý tín hiệu Audio |
![]() |
| Hình 8 - Sơ đồ tổng quát khối đường tiếng Tivi SAMSUNG |
- Các tín hiệu Audio từ các ngõ vào Video in, DVD, DTV, PC cũng được đưa đến mạch xử lý tín hiệu âm thanh Audio Processor.
- CPU điều khiển mạch Audio Processor thông qua các bus SDA và SCL.
- Tín hiệu ra của IC Audio Processor được đưa đến mạch khuếch đại công suất Sound Amply để khuếch đại rồi đưa ra loa.
2.2. Mạch xử lý tín hiệu âm thanh Audio Processor
![]() |
| Hình 9a - Mạch xử lý tín hiệu âm thanh Audio Processor trên máy SAMSUNG |
- IC tiếp nhận tín hiệu trực tiếp từ các ngõ vào PC, DTV, DVD và AV
- Nguồn cấp cho IC gồm 8V và 5V, 8V cấp cho các mạch Analog , điện áp 5V cấp cho các mạch xử lý số.
- Thạch anh tạo dao động cho mạch xử lý số hoạt động.
- CPU điều khiển mạch thông qua các tín hiệu SDA, SCL và tín hiệu khởi động Reset.
- Tín hiệu làm câm loa SOUND MUTE từ mạch đi ra đưa đến tầng công suất để ngắt âm thanh khi người sử dụng chọn chế độ “Mute”.
- Tín hiệu ra đưa theo hai đường DACM_L và DACM_R được đưa đến tầng công suất để khuếch đại trước khi đưa ra loa.
* IC xử lý tín hiệu âm thanh Audio Processor.
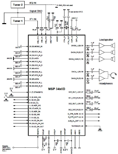
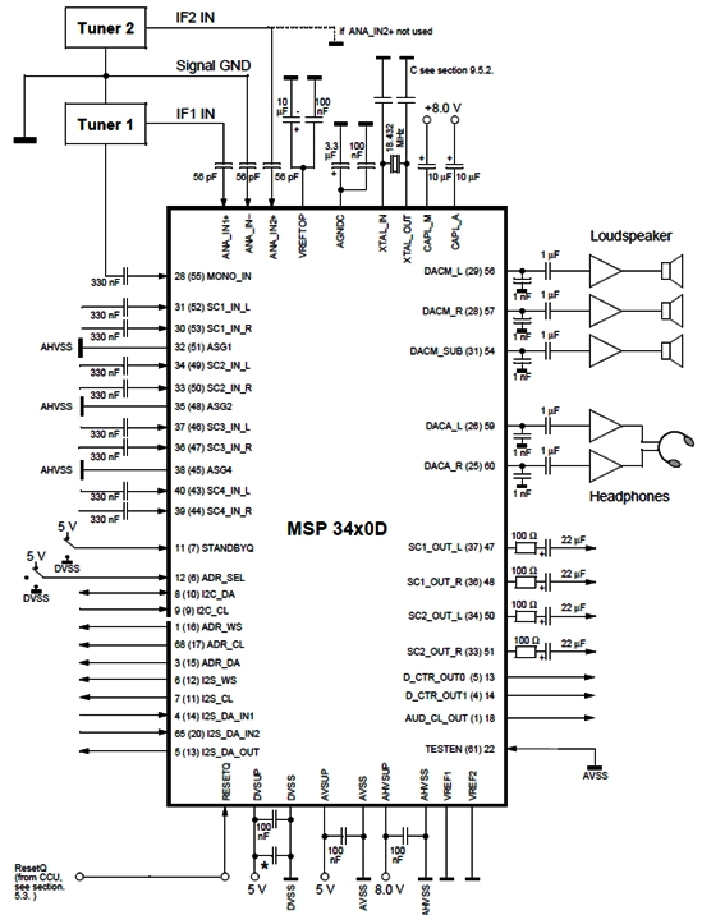
- IC có thể tiếp nhận hai ngõ vào SIF, trong trường hợp chỉ sử dụng một ngõ vào thì ngõ kia sẽ được đấu mass.
- Từ ngõ vào Sound IF1 và Sound IF2 tín hiệu cho đi qua mạch ADC để đổi sang tín hiệu số, sau đó đưa qua mạch Demodulator để giải điều chế và đưa qua mạch tiền xử lý Pre Processing sau đó tín hiệu đưa sang chuyển mạch Source Select
- Các điều khiển từ CPU gồm các tín hiệu SDA và SCL được đưa qua mạch Prescale để giải mã lệnh lấy ra các lệnh điều khiển, điều khiển mạch xử lý âm thanh số.
- Từ các ngõ vào SCART1, SCART2, SCART3, SCART4 và MONO tín hiệu âm thanh được đưa vào chuyển mạch SCART Input Select để chọn lấy một ngõ vào sau đó đưa qua mạch ADC để đổi sang tín hiệu số sau đó đưa đến chuyển mạch Source Select.
![]() |
| Hình 9b - Sơ đồ khối của IC xử lý số Audio Processor - MSP3421. |
- Chuyển mạch Source Select sẽ chọn lấy một nguồn tín hiệu để đưa vào xử lý, thực hiện tạo hiệu ứng âm thanh, chỉnh to nhỏ, âm sắc rồi sau đó chia thành 4 ngõ ra.
- Từ các ngõ ra tín hiệu được đổi trả lại dạng tín hiệu Analog thông qua các mạch DAC để lấy ra tín hiệu Audio.
2.3. Mạch khuếch đại công suất âm thanh trên máy.
Mạch khuếch đại công suất âm thanh sử dụng IC- TA1101 khuếch đại âm thanh Stereo cho hai kênh L và R.
![]() |
| Hình 10 - Sơ đồ nguyên lý mạch khuếch đại công suất âm thanh. |
- Tín hiệu Audio từ tầng Audio Processor đưa sang đưa vào các chân IN1 và IN2 của IC.
- Tín hiệu làm câm loa “Mute” đưa vào chân 11 của IC, khi chân 11 có mức thấp thì mạch sẽ ngắt âm thanh ra loa.
- Điện áp cấp cho IC công suất là 12V cấp vào các chân VDD1 và VDD2.
- Âm lượng của âm thanh được giữ ở mức cố định, khi chỉnh âm lượng của máy mạch Audio Processor đã làm thay đổi biên độ tín hiệu Audio trước khi đưa vào tần công suất.
3. Phân tích khối đường tiếng trên máy PANASONIC TX-32LE
3.1. Sơ đồ khối tổng quát.
![]() |
| Hình 11 - Sơ đồ tổng quát khối đường tiếng máy Panasonic TX-32LE |
![]() |
| Hình 12 - IC xử lý Audio Processor được tích hợp trong CPU và Video Processor |
- Phần chuyển mạch tín hiệu tiếng từ các ngõ vào AV1, AV2 và các rắc cắm được thực hiện bởi IC chuyển mạch IC3300 (Audio Matrix)
- Tín hiệu SIF từ bộ kênh được đưa thẳng đến IC - VTC69XYP
- Mạch Audio Processor tích hợp trong IC- VTC69XYP sẽ thực hiện xử lý âm thanh số và đưa ra tín hiệu âm tần tại ngõ ra Speaker L và Speaker R hai tín hiệu này sẽ được tầng công suất khuếch đại trước khi đưa đến điều khiển loa điện động L và R.
- Tín hiệu Audio ở ngõ ra HP L và HP R được khuếch đại qua IC270 (HEADPHONE AMPLY) sau đó đưa ra rắc cắm tai nghe. 




















Không có nhận xét nào:
Đăng nhận xét