3. Phân tích khối cao áp máy Tivi LCD - SHARP 32”
![]() |
| Hình 10 - Vỉ cao áp của Tivi SHARP 32” |
![]() |
| Hình 11 - Các linh kiện trên vỉ cao áp |
![]() |
| Hình 12 - Các linh kiện mặt sau của khối cao áp |
- IC dao động
- IC khuếch đại thuật toán OP Amply
- Các đèn khuếch đại đệm
- Các linh kiện trên mạch hồi tiếp
Chú thích các thông số kỹ thuật:
![]() |
| Hình 13 - IC dao động và Op-Amply khuếch đại áp hồi tiếp |
![]() |
| Hình 14 - Các đèn của mạch khuếch đại đệm |
![]() |
| Hình 15 - Các đèn thực tế và trên sơ đồ nguyên lý, các đèn 5 chân là đèn kép thuận ngược có nội dung bên trong như Hình dưới. |
![]() |
| Hình 16 - Sơ đồ bên trong đèn BCE kép thuận ngược dùng trong mạch khuếch đại đệm trên vỉ cao áp |
![]() |
| Hình 17 - IC Khuếch đại thuật toán OP-Amply và sơ đồ khối bên trong khuếch đại điện áp hồi tiếp IS |
![]() |
| Hình 18 - Khu vực mạch hồi tiếp thường sử dụng các đi ốt đơn và kép |
![]() |
| Hình 19 - Các đèn công suất và thông số kỹ thuật |
- VDSS: Là điện áp cực đại giữa hai cực D và S mà đèn chịu được
- VGSS: Là điện áp cực đại giữa hai cực G và S
- ID : Là dòng điện tối đa đi qua cực D-S mà đèn có thể chịu được ở nhiệt độ thường (cao hơn) và ở nhiệt độ 100o C (thấp hơn)
- IDM: Là dòng cực đại ở chế độ xung
- EAS: Là năng lượng các xung đơn
- IAR: Dòng điện thác
- EAR: Năng lượng dòng điện thác
- dv/dt: Thời gian khôi phục mức đỉnh của đi ốt
- PD: Công suất tổn hao
- Tj, TSTG: Phạm vi nhiệt độ hoạt động
- TL: Nhiệt độ tối đa mà đèn chịu được trong 5 giây
Thay thế đèn công suất tương đương:
- Trong trường hợp các đèn công suất hư hỏng, tốt nhất là chúng ta thay đúng trị số nhưng trong trường hợp ta không mua được linh kiện đúng trị số thì ta cần phải thay tương đương.
- Để thay tương đương thì bạn hãy lưu ý các thông số sau:
- Đèn thay vào phải cùng chủng loại P-Chanel hay N-Chanel
- Điện áp VDSS, điện áp VGSS, dòng ID và công suất tổn hao PD phải bằng hoặc lớn hơn đèn cũ của máy, trong trường hợp một thông số nào đó thấp hơn thì thấp hơn không quá 20% và khi thay vào phải chạy thử tối thiểu là 15 phút và đèn không bị quá nhiệt.
Phương pháp kiểm tra đèn công suất Mosfet:
a) Kiểm tra trực tiếp trên máy.
Nếu đèn công suất vẫn ở trên vỉ máy (chưa tháo) thì chúng ta chỉ xác định được các đèn hỏng ở dạng chập như chập D-S, chập G-S hay chập G-D, xác định đèn chập bằng cách:
- Để đồng hồ ở thang x1Ω rồi đo giữa ba cực G-D, G-S, D-S cả hai chiều thì chúng phải có trở kháng > 0Ω, thông thường chỉ có chiều đo giữa D-S có một chiều có trở kháng tương đối thấp là do có đi ốt nhụt mắc song song với cực D-S, còn các chiều đo khác và các cực khác có trở kháng tương đối cao - hàng trăm Ω, nếu một cực nào đó mà có trở kháng = 0Ω là do chập cực đó, tuy nhiên vẫn có trường hợp bị chập ở linh kiện song song nên ta cần tháo ra để kiểm tra mới chính xác.
b) Kiểm tra đèn đă tháo ra ngoài:
![]() |
| Hình 20 - Khi đi ốt Dz1 chập thì đo cực G-S của Mosfet cũng thấy chập |
Khi kiểm tra đèn đă tháo ra ngoài, ta có thể kiểm tra được chất lượng của đèn và phát hiện được đèn hỏng ở các dạng khác nhau, trước khi kiểm tra chúng ta cần nhớ đặc điểm của Mosfet như sau:
Cả hai loại Mosfet thuận và ngược đều có đặc điểm:
![]() |
| Hình 21 - Mosfet thuận và Mosfet ngược. |
- Từ G sang S cách điện hoàn toàn.
- Từ G sang D cách điện hoàn toàn
Với Mosfet ngược thì:
- Nạp dương cho G (cho điện dương và G, âm và S) sau đó phân cực thuận (dương vào D, âm vào S) thì đèn dẫn.
- Nạp âm cho G và phân cực thuận D-S thì đèn tắt.
Với Mosfet thuận thì:
- Nạp âm cho G (cho điện âm vào G, dương vào S) sau đó phân cực thuận cho D-S (cho điện âm vào D, dương vào S) thì đèn dẫn.
- Nạp dương cho G sau phân cực thuận cho đèn thì đèn tắt.
c) Cách đo chất lượng đèn Mosfet ngược:
Để đo chất lượng đèn, bạn tháo đèn ra ngoài, để trên vật cách điện tốt như tấm kính, chỉnh đồng hồ về thang x 1KΩ và đo như sau:
- Khi đo đèn Mosfet ngược thì một đèn tốt cần thoả măn 4 bước đo như sau:
• Bước 1: Đo trở kháng G- D phải cách điện
• Bước 2: Đo trở kháng G - S phải cách điện, không lên kim
• Bước 3: Nạp dương cho cực G, sau đó đo thuận đèn phải dẫn.
![]() |
| Hình 22 - Đo giữa G và D phải cách điện, không lên kim. |
![]() |
| Hình 23. Đo giữa G và S phải cách điệ, không lên kim. |
![]() |
| Hình 24 - Để nạp dương cho G ta đặt que đen vào G, đỏ vào S |
![]() |
| Hình 25 - Sau khi nạp dương cho G và đo thuận (que đen vào D que đỏ vào S) thì đèn phải dẫn => lên kim là tốt. |
![]() |
| Hình 26 - Đặt que đỏ vào chân G que đen vào S để nạp âm cho G |
![]() |
| Hình 27 - Sau khi nạp âm cho G và đo thuận nếu đèn tắt (không lên kim) là tốt. |
- Đo từ G sang S thấy lên kim là bị ḍ hoặc chập G -S
- Đo từ G sang D thấy lên kim là bị ḍ hoặc chập G-D
Sau khi đă nạp dương cho G nhưng đo thuận thấy đèn không dẫn => là đèn bị đứt D-S
- Sau khi đă nạp âm cho G nhưng đo thuận đèn vẫn dẫn => là đèn bị chập hoặc ḍ D-S
Sơ đồ nguyên lý mạch cao áp máy Tivi LCD SHARP 32”
Phân tích sơ đồ nguyên lý:
![]() |
| Hình 28 - Sơ đồ nguyên lý máy SHARP 32” |
Khối cao áp (Inverter) của máy gồm các mạch chính như sau:
- IC tạo dao động: (IC Inverter Control)
- Tầng khuếch đại đệm: các đèn (Q1, Q2, Q3, Q4, Q5, Q6, Q9, Q10, Q11, Q12, Q13, Q14)
- Tầng khuếch đại công suất: các đèn (Q7, Q8, Q15, Q16)
- Các biến thế cao áp:
- Các mạch hồi tiếp: gồm mạch hồi tiếp để ổn định điện áp và hồi tiếp để ổn định dòng điện cung cấp cho các bóng cao áp.
Nguyên lý hoạt động của khối cao áp:
Khối cao áp có thể được điều khiển ở 3 chế độ.
- Chế độ Stanby (tắt nguồn), ở chế độ này thì khối cao áp không có điện áp 12V cung cấp và IC dao động đặt vào chế độ khoá, không hoạt động, điện áp 60V cấp cho tầng công suất giảm xuống thấp hơn lúc b́nh thường.
- Chế độ Power on (bật máy), ở chế độ này khối cao áp được điều khiển hoạt động b́nh thường, khi đó khối cao áp được cung cấp bởi các nguồn điện 60V cấp cho tầng công suất, 12V cấp cho mạch dao động và mạch khuếch đại đệm, lệnh Stanby ở mức cao cho phép IC dao động hoạt động.
- Chế độ “Mute”, ở chế độ này tạm thời làm tắt mạch cao áp trong khi các bộ phận khác của máy vẫn hoạt động, ví dụ trong trường hợp không có tín hiệu từ Anten hoặc không có tín hiệu Video, ở chế độ này thì mạch cao áp vẫn có đủ các nguồn điện 12V và 60V cung cấp nhưng không có lệnh Stanby cho phép IC dao động hoạt động.
Khi ở chế độ Power on (bật máy) khối cao áp được cung cấp hai nguồn điện:
- Điện áp 60V cung cấp cho mạch công suất
- Điện áp 12V cung cấp cho IC dao động và các đèn khuếch đại đệm
- Lệnh Stanby được bật ở mức cao.
Lệnh Stanby có mức cao sẽ cho phép IC dao động hoạt động, khi IC hoạt động sẽ cho ra xung điện ở các chân HN1, LN1, HN2 và LN2. Các xung điện này được các đèn khuếch đại đệm khuếch đại để tăng cường độ ổn định sau đó đưa đến chân G để điều khiển các đèn công suất.
Các đèn Mosfet thuận cần được phân cực để điện áp UG sấp sỉ US khi đó chân G cần được cách ly với IC thông qua các tụ điện C1 và C2 đồng thời được gim với chân S bằng các điốt Zener Dz1 và Dz2.
Cả 4 đèn Mosfet được điều khiển để hoạt động đồng bộ với nhau, khi đèn Q7 dẫn thì Q16 dẫn, các đèn Q8 và Q15 sẽ tắt, khi đó dòng điện đi từ 60V qua đèn Q7 nạp qua các tụ C3, C4, C5 rồi đi qua các biến áp theo chiều từ trên xuống sau đó đi qua đèn Q16 về mass. Khi đèn Q8 dẫn thì Q15 dẫn, các đèn Q7 và Q16 sẽ tắt, khi đó dòng điện đi ngược lại từ 60V qua đèn Q15 rồi đi qua các biến áp theo chiều từ dưới lên, nạp xả qua các tụ C3, C4, C5 sau đó đi qua đèn Q8 về mass.
Sự hoạt động của các đèn công suất đă tạo ra dòng điện biến thiên chạy qua cuộn sơ cấp các biến áp, từ đó cảm ứng sang các cuộn thứ cấp cho ta điện áp HV đi ra, cuộn thứ cấp quấn số ṿng dây lớn gấp nhiều lần cuộn sơ cấp nên điện áp HV ra rất cao (hàng ngàn vol), điện áp này được đưa đến các bóng cap áp trên màn hình để phát sáng, tạo ánh sáng nền trên màn hình.
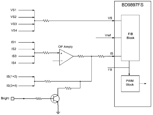
Mạch hồi tiếp để ổn định điện áp ra:
Để ổn định điện áp ra cấp cho các bóng cao áp, người ta thiết kế mạch hồi tiếp như sau:
- Từ đầu ra điện áp HV cấp cho các bóng cao áp, người ta trích lấy một phần điện áp thông qua các tụ điện, sau đó cho chỉnh lưu thành điện áp một chiều bằng các đi ốt rồi tập hợp lại và cho hồi tiếp về chân VS (Voltage Senser).
- Giả sử khi điện áp HV ra tăng => điện áp VS sẽ tăng theo => mạch khuếch đại Error Amply trong IC dao động sẽ khuếch đại và tạo ra điện áp điều khiển, điều khiển cho xung dao động ra giảm biên độ xuống, khi đó các đèn công suất hoạt động giảm cường độ và điện áp HV giảm xuống.
- Nếu điện áp HV giảm thì quá tŕnh diễn ra ngược lại và cuối cùng các đèncông suất hoạt động tăng để tăng điện áp HV
=> Kết quả là điện áp HV được giữ ở mức ổn định.
Mạch hồi tiếp để ổn định dòng điện đi qua các bóng cao áp:
Dòng tải qua các bóng cao áp ngoài sự phụ thuộc vào điện áp HV chúng còn phụ thuộc vào bản thân các bóng cao áp, để giữ cho dòng điện qua bóng cao áp được ổn định, người ta thiết kế mạch hồi tiếp để ổn định dòng như sau:
- Từ đầu FB của cuộn thứ cấp (bên kia là đầu HV), người ta cho thoát mass bởi một cầu phân áp bằng điện trở, sau đó lấy sụt áp ở điểm giữa của cầu phân áp cho chỉnh lưu thành điện áp một chiều tạo ra điện áp IS (IS1, IS2, IS3, IS4) các đường IS trên được tập hợp lại rồi cho khuếch đại bởi IC OP Amply sau đó cho hồi tiếp về chân IS (chân cảm biến dòng) của IC.
- Nếu dòng điện qua các bóng cao áp tăng lên => khi đó các điện áp IS sẽ tăng => điện áp hồi tiếp về chân IS của IC sẽ tăng lên => IC sẽ điều chỉnh cho biên độ dao động ra giảm xuống => các đèn hoạt động yếu đi và điện áp ra giảm xuống => dòng điện qua đèn giảm xuống.
- Nếu dòng điện qua đèn giảm xuống thì quá tŕnh điều chỉnh diễn ra ngược lại.
=> Kết quả là dòng điện đi qua các đèn cao áp được giữ ở mức ổn định.
Mạch điều khiển sáng tối trên màn hình:
![]() |
| Hình 29 - Mạch hồi tiếp để ổn định điện áp và dòng điện cấp cho các bóng cao áp |
![]() |
| Hình 30 - Điện áp hồi tiếp để ổn định điện áp HV được đưa về chân VS, điện áp hồi tiếp để ổn định dòng điện qua bóng cao áp và điều chỉnh độ sáng trên màn hình được đưa về chân IS |
- Điều khiển sáng tối thực ra là điều khiển để thay đổi điện áp HV cấp cho các bóng cao áp, mạch được thiết kế như sau:
- Lệnh Bright được đưa từ CPU tới có điện áp thay đổi từ 2 đến 5V, lệnh này được đưa đến điều khiển một đèn BCE (Q12), đèn này có chân C nối vào điện áp hồi tiếp IS.
=> Khi tăng độ sáng cho màn hình, điện áp lệnh Bright tăng lên => đèn Q12 dẫn tăng lên => điện áp chân C của đèn (tức là điện áp hồi tiếp IS) giảm xuống => IC dao động điều chỉnh cho biên độ dao động ra tăng lên => các đèn công suất hoạt động mạnh hơn => và điện áp HV ra tăng lên.
Sơ đồ khối của IC dao động (Inverter Control)
Chú thích các bộ phân trong IC
![]() |
| Hình 31 - Sơ đồ khối của IC dao động (Inverter Control) |
- F/B Block - Mạch khuếch đại điện áp hồi tiếp (Error Amply)
- PWM Block - Mạch tạo xung PWM
- Logic Block - Mạch logic thực hiện chức năng bảo vệ, ngắt xung khi có sự cố.
- Protect Block - Mạch bảo vệ
- UVLO Block - Mạch bảo vệ khi điện áp Vcc dưới mức cần thiết
- HN Block - Mạch tạo xung HN để điều khiển các đèn Mosfet thuận
- LN Block - Mạch tạo xung LN để điều khiển các đèn Mosfet ngược
- Reg Block - Mạch ổn áp
- OSC - Mạch dao động
- BOSC - Mạch dao động Burst
- Duty Block - Mạch điều khiển dạng Burst và dạng xung PWM



































Không có nhận xét nào:
Đăng nhận xét